honda305.com Forum

Vintage Honda Owners, Restorers, Riders and Admirers

Latest Registry Entry
1965 Honda CP77 — Ulsan Metro City, Rep. Korea
Restored with original parts — Owner: J. Doe

1962 Superhawk Restoration: Here I go

Post Reply
User avatar
Hotshoe
honda305.com Member
Posts: 298
Joined: Tue Mar 30, 2010 12:51 pm
Location: Nawlins

Post by Hotshoe » Thu Jul 15, 2010 12:01 am

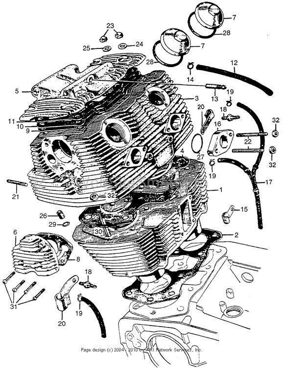
There might be a better way to check for top end oil but my pass/fail test was always right after start up, loosen the 14mm cap nut (item 23) on top of the head cover on the outside corner closest to the carb.... if oil seeps out, you have oil to the top end.
Attachments
305 head cover nut.jpg

teazer
honda305.com Member
Posts: 798
Joined: Mon Feb 08, 2010 10:32 pm
Location: Midwest US

Post by teazer » Thu Jul 15, 2010 1:08 pm

That's a good point. What I was looking for was a way to check the very unlikely possibility that the oil leak was caused by a blockage to the top end causing excess oiling to the bottom end.

Spargett
honda305.com Member
Posts: 592
Joined: Wed Jun 18, 2008 10:19 pm
Location: Los Angeles, CA

Post by Spargett » Sun Jul 18, 2010 9:36 pm

Put about 200 miles on the bike this weekend. Performed wonderfully. hour long hauls at 70-75mph up the mountains, twisties here and there, city in between.

Met alot of cool people at the CJMC meet, had the pleasure of meeting Davo and Deez in the flesh (coastal Marin ride in the near future?).

Only thing left to sort is a few oil leaks. Fast Fred is sorting a thrust washer I'm missing in my tach drive and I'm gonna try venting a spare dipstick to see if my mysteriously untraceable right side leaking due to overpressure in the cases.

e3steve
h305 Moderator
Posts: 2600
Joined: Fri Oct 31, 2003 1:38 pm
Location: Mallorca, Spain & Warsash, UK

Oil leak

Post by e3steve » Mon Jul 19, 2010 2:08 am

Good result Scott! Are you sure it's not coming from the clutch pushrod seal? Pull the rod and inspect it for a wear-groove around where the seal sits. Same for the starter sprocket and crankshaft (not that I'm an authority on oil leaks, but that's where mine have been emanating from).

Spargett
honda305.com Member
Posts: 592
Joined: Wed Jun 18, 2008 10:19 pm
Location: Los Angeles, CA

Post by Spargett » Mon Jul 19, 2010 2:17 am

Steve, all the the seals are brand new. I just replaced my old clutch rod with a NOS one. Made for a much tighter seal, but I still end up with the leak. What should I look for specifically with the starter sprocket? For the life of me, I can't find anything. Everything looks good when I take it apart.

Metal back of the starter sprocket into the crank seal, then the outer seal on the starter sprocket? All the seals look good, but you never know. Any leads or guesses from experience is greatly appreciated. Naturally taking the initiative to replace old seals and moving very slowly to do a thorough job ends in leaks that didn't previously exist. If the oil IS coming from there, it's behind the sprocket. The front of the rotor and stator are clean as a whistle.

The outer diameter of all the seals seem solid as a rock. Oil migrates straight down and gets everywhere fast. Mostly onto the chain somehow then thrown down onto the bottom of the case as well as the flung onto the the rear tire (scary).

There's a dirty pool under the chain in there, then some clean oil in the other section under the rotor/stator. It won't come out on idle. Only after moving around quite a bit then parking. I come back to it dripping on the ground. Funny thing is, it's the worst the bike first gets going, then seems to slow to a very, very small drip after a long ride. You'd think the opposite right?
Last edited by Spargett on Mon Jul 19, 2010 2:31 am, edited 1 time in total.

e3steve
h305 Moderator
Posts: 2600
Joined: Fri Oct 31, 2003 1:38 pm
Location: Mallorca, Spain & Warsash, UK

Post by e3steve » Mon Jul 19, 2010 2:27 am

Mine's exactly the same and only shows when the motor is very hot; it can then be seen 'bubbling' from the crankcases' upper/lower joint around where the final driveshaft seal sits.

I, too, replaced my pushrod and starter sprocket with NOS.

teazer
honda305.com Member
Posts: 798
Joined: Mon Feb 08, 2010 10:32 pm
Location: Midwest US

Post by teazer » Mon Jul 19, 2010 9:20 am

Scott, that sounds like it's more likely to be coming from the sprocket oil seal and being thrown forwards by the sprocket.

You can pull that oil seal with a drill and two self tapping screws if you are slow and careful. Then "lubricate the outer face of the replacement seal with gasket goo to help it to "slide" back in. That's not the recommended way to change the seal but it can be done that way if you have to.

A temporary fix for oil from the outer edge is to clean it up and lay down a bead of gasket goo around the outside of the seal. It's not pretty but as a temporary fix to get you through to the winter rebuild it might work.

Just a crazy idea - try to pressurize the crankcase slightly - say 5-8psi and listen for air escaping. It should come out of the breather hose and that's about all, so use that hose as the air input port. Don't over do it though or you'll blow all the seals out.

Post Reply