honda305.com Forum

Vintage Honda Owners, Restorers, Riders and Admirers

Latest Registry Entry
1965 Honda CP77 — Ulsan Metro City, Rep. Korea
Restored with original parts — Owner: J. Doe

adding blinkers/winkers

Charging System, Wiring, Lighting
Post Reply
jensen
honda305.com Member
Posts: 1143
Joined: Tue Feb 12, 2008 2:51 pm
Location: netherlands, huizen
Contact:

Post by jensen » Mon Jan 04, 2010 1:41 pm

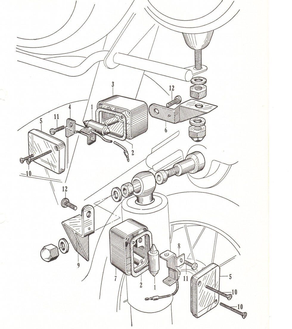
With the new type front fork came the new style winkers. In Germany these winkers where a little different, but more or less the same style. The front winkers are rare, but not as rare as the square type. These winkers are bolted on the lever holder (perch) as pictured in the manual. In the past ten years I found a dozen complete sets, no more. Most of them needed repair, but these gems are worth it.
Attachments
CB72 wfront winkers.jpg
new style front winkers.jpg
Last edited by jensen on Tue Jan 05, 2010 1:46 am, edited 2 times in total.
assembly of Japanese motorcycles requires great peace of mind (Pirsig)

jensen
honda305.com Member
Posts: 1143
Joined: Tue Feb 12, 2008 2:51 pm
Location: netherlands, huizen
Contact:

Post by jensen » Mon Jan 04, 2010 1:50 pm

On the rear side these new style winkers where bolted on a special plate holder. The distance between the winkers was large, due to (dutch) regulations.
Attachments
new style rear winkers picture.jpg
new style rear winkers.jpg
assembly of Japanese motorcycles requires great peace of mind (Pirsig)

jensen
honda305.com Member
Posts: 1143
Joined: Tue Feb 12, 2008 2:51 pm
Location: netherlands, huizen
Contact:

Post by jensen » Mon Jan 04, 2010 1:54 pm

These (rear) winkers are also used for the front side, but then bolted on the head lamp, sometimes directly or sometimes with a spacer (regulations). This type of winkers is also used on the CB450 BB, at least in the Netherlands.
Attachments
new style winkers front side picture.jpg
assembly of Japanese motorcycles requires great peace of mind (Pirsig)

jensen
honda305.com Member
Posts: 1143
Joined: Tue Feb 12, 2008 2:51 pm
Location: netherlands, huizen
Contact:

Post by jensen » Mon Jan 04, 2010 2:03 pm

Then there are the police version winkers, these winkers are different then the standard ones, but also in two styles, square and round. I'm not sure, but I think the style was chosen by the police force, and differs from country to country. I have both types somewhere lying around, but I could not find them for picturing, when I find them I will take a picture to complete. These styles are seen on cb's from the far east, and these are rare (at least here in the Netherlands)
Attachments
police version square style winkers.jpg
police version round style winkers.jpg
assembly of Japanese motorcycles requires great peace of mind (Pirsig)

jensen
honda305.com Member
Posts: 1143
Joined: Tue Feb 12, 2008 2:51 pm
Location: netherlands, huizen
Contact:

Post by jensen » Mon Jan 04, 2010 2:11 pm

Then I have a lot of these. I don't know if these are original, but I know a few people who say that these are also used on old style CB72's. Plausible, but not confirmed by a picture of that time.
Attachments
old style mystery winker.jpg
assembly of Japanese motorcycles requires great peace of mind (Pirsig)

jensen
honda305.com Member
Posts: 1143
Joined: Tue Feb 12, 2008 2:51 pm
Location: netherlands, huizen
Contact:

Post by jensen » Mon Jan 04, 2010 2:16 pm

A lot of these winkers and plate holders where destroyed. Young people didn't like the new regulations and they cut them off, literally.
Attachments
destroyed plate holder.jpg
assembly of Japanese motorcycles requires great peace of mind (Pirsig)

jensen
honda305.com Member
Posts: 1143
Joined: Tue Feb 12, 2008 2:51 pm
Location: netherlands, huizen
Contact:

Post by jensen » Mon Jan 04, 2010 2:21 pm

Then there are winker switches. I saw a lot off different winker switches, left side, right side, and all appears original to me. Here I picture my original dutch switches, strange, but original CB72. On my left side of the handle bar there is my light switch, printed with a D (Dimlicht, dutch for low beam) and a G (Grootlicht, dutch for high beam). This switch also holds the gas handle or twist grip as you call it.
In the Netherlands the winker switch is sometimes on the left side, sometimes on the right side. Late style switches are always left sides by regulations (you cant not control the twist grip and switch the winkers on and off with one hand, at least that's the official statement.

There is also a cut away in both switches (see pictures below), I don't know if this is original or not, but I guess not.
Attachments
right side switch front side.jpg
right side light switch.jpg
left hand winker switch.jpg
Last edited by jensen on Tue Jan 05, 2010 1:44 am, edited 2 times in total.
assembly of Japanese motorcycles requires great peace of mind (Pirsig)

Post Reply