honda305.com Forum
Vintage Honda Owners, Restorers, Riders and Admirers
Latest Registry Entry
1965 Honda CP77 — Ulsan Metro City, Rep. Korea
Restored with original parts — Owner: J. Doe
adding blinkers/winkers
-
pineapple dave
- honda305.com Member
- Posts: 31
- Joined: Thu Feb 26, 2009 3:01 pm
- Location: Winston, Oregon
After market front blinkers/winkers that look good & wor
After buying the cheesey blinkers from Asia advertised on EBAY for the front of my bike which were plastic they have been replaced and here's where I got the stuff. Much better quality and look and work great.Got my blinker switch from heeters.com @$13.95 as stated in a early post, and it works great. Now the bracket for the handle bars came from houseofharley.com @$11.99 each and is called a universal bracket I got the 1" and did some adjustmenting for a nice tight fit on the bars. Then I went with the Baron mini marker lights from demonscycle.com @24.00 a pair again nice heavy duty quality lights.
In the meantime I had bought a used crash bar and mounted it on the bike, it had a couple of holes on the top so I decided to place the new marker lites there instead of continuing to use the handlebars. Marker lites come with bolts that had holes drilled out in the center, I got longer ones that were grade 5 drilled holes in them and it worked great. I also added a better flasher since the lites were LED and were bliking a lil slow with old style.I had no need for rears since I had hard saddlebags that came with the bike.I looked long and asked lots of people what to do for blinkers and never got a good answer in my opinion. So if you want to add blinkers here's what I decided was the best way to go. Once I figure out how to post a picture of my bike I will do some before and afters.
pineapple dave 1964 305 Honda Dream CA78-105036
In the meantime I had bought a used crash bar and mounted it on the bike, it had a couple of holes on the top so I decided to place the new marker lites there instead of continuing to use the handlebars. Marker lites come with bolts that had holes drilled out in the center, I got longer ones that were grade 5 drilled holes in them and it worked great. I also added a better flasher since the lites were LED and were bliking a lil slow with old style.I had no need for rears since I had hard saddlebags that came with the bike.I looked long and asked lots of people what to do for blinkers and never got a good answer in my opinion. So if you want to add blinkers here's what I decided was the best way to go. Once I figure out how to post a picture of my bike I will do some before and afters.
pineapple dave 1964 305 Honda Dream CA78-105036
-
e3steve
- h305 Moderator
- Posts: 2601
- Joined: Fri Oct 31, 2003 1:38 pm
- Location: Mallorca, Spain & Warsash, UK
OEM winker switch....
....on eBay, guys: http://cgi.ebay.com/ebaymotors/HONDA-DR ... _500wt_975
for anyone prepared to pay the money. It'll soon rack-up!
for anyone prepared to pay the money. It'll soon rack-up!
-
e3steve
- h305 Moderator
- Posts: 2601
- Joined: Fri Oct 31, 2003 1:38 pm
- Location: Mallorca, Spain & Warsash, UK
Novel taillight ass'y
Hey, look what's just cropped up on eBay:
http://cgi.ebay.com/ebaymotors/2IN1-TAI ... 3643wt_982
Different and convenient, even if it is a bit 'modern'. Might not be enough distance between the winkers' reflectors, edge to edge, to pass legislation in come countries or states. And deffo not for purists!
Hope you're all having a good Crimbo hol.
http://cgi.ebay.com/ebaymotors/2IN1-TAI ... 3643wt_982
Different and convenient, even if it is a bit 'modern'. Might not be enough distance between the winkers' reflectors, edge to edge, to pass legislation in come countries or states. And deffo not for purists!
Hope you're all having a good Crimbo hol.
-
jensen
- honda305.com Member
- Posts: 1143
- Joined: Tue Feb 12, 2008 2:51 pm
- Location: netherlands, huizen
- Contact:
Hi,
I see the ridiculous prices of the handlebar switch for winkers, seems very hard to find in the US.
If anybody is interested, these items pop-up regularly on local marketplaces and sites.
I bought 4 winkers for a CB72 late model (yes, these are original steve!!), holders and a few switches for 35 euro.
Here in the Netherlands most CB72's had winkers, but there where three types. The very early winkers where bolted on the rear shock, later winkers where bolted on the plate holder. On the front the winkers where bolted on the headlight (rare) or on the handlebar (normal). There where three models of winkers.
Jensen
I see the ridiculous prices of the handlebar switch for winkers, seems very hard to find in the US.
If anybody is interested, these items pop-up regularly on local marketplaces and sites.
I bought 4 winkers for a CB72 late model (yes, these are original steve!!), holders and a few switches for 35 euro.
Here in the Netherlands most CB72's had winkers, but there where three types. The very early winkers where bolted on the rear shock, later winkers where bolted on the plate holder. On the front the winkers where bolted on the headlight (rare) or on the handlebar (normal). There where three models of winkers.
Jensen
Last edited by jensen on Mon Jan 04, 2010 3:38 pm, edited 1 time in total.
assembly of Japanese motorcycles requires great peace of mind (Pirsig)
-
e3steve
- h305 Moderator
- Posts: 2601
- Joined: Fri Oct 31, 2003 1:38 pm
- Location: Mallorca, Spain & Warsash, UK
We live and learn, Jensen! I'd only ever seen the type fitted to the Canadian [pic] and domestic (Japanese) CP models, so I guess your Netherlands-legislative requirement was for there to be a higher degree of flank (side-viewable) light, hence the deeper lenses on yours.
Other countries' (Germany, Holland[?], Norway, Sweden, Denmark) legislations require the lenses, particularly the fronts, to have a minimum distance between them, edge to edge, so mine http://www.honda305.com/forums/viewtopi ... adian+cp77, for example, wouldn't pass a statutory road test in Germany.
Official British imports of CBs never* had winkers at all, whereas the C & CA did, as did the C & CA92 (125) and 95 (150).
*I'll stand corrected on this one if anyone can inform me otherwise; every day's a school day!
Other countries' (Germany, Holland[?], Norway, Sweden, Denmark) legislations require the lenses, particularly the fronts, to have a minimum distance between them, edge to edge, so mine http://www.honda305.com/forums/viewtopi ... adian+cp77, for example, wouldn't pass a statutory road test in Germany.
Official British imports of CBs never* had winkers at all, whereas the C & CA did, as did the C & CA92 (125) and 95 (150).
*I'll stand corrected on this one if anyone can inform me otherwise; every day's a school day!
-
jensen
- honda305.com Member
- Posts: 1143
- Joined: Tue Feb 12, 2008 2:51 pm
- Location: netherlands, huizen
- Contact:
Hi Steve,
Nothing to do with adding winkers, but more like an overview from what I know about winkers and CB72 / 77 in the Netherlands, enjoy, because it took an whole evening to document this. This is what I know, or think that I know (I could be wrong here and there).
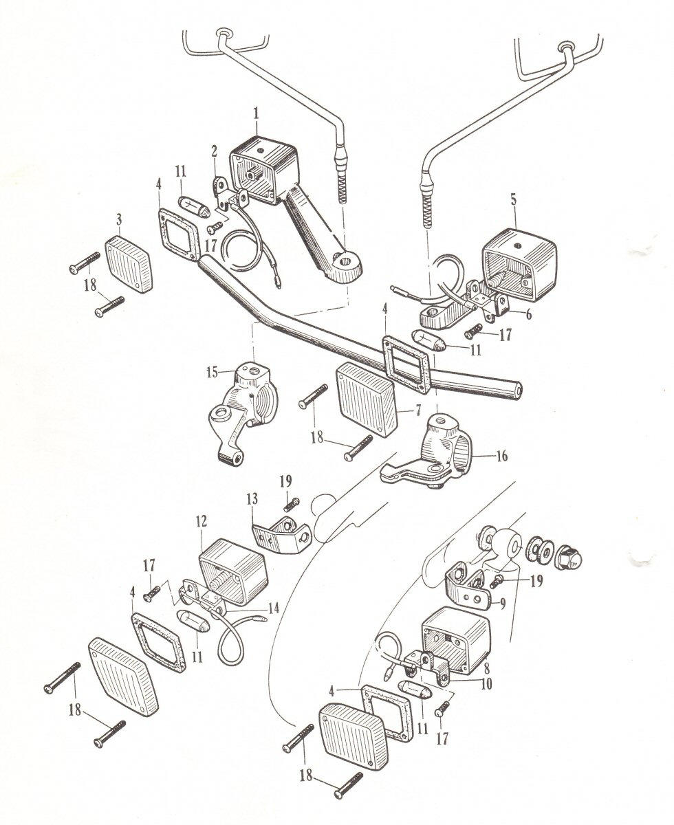
Old style winkers (square type). There are two types, at least two types front winkers. One type with an extra glass on the top, so you can see if it's working, and one type without that extra glass on top. The winkers with the glass on top are used on the first models, and where bigger but the same style as the CB92 winkers. The winkers without the glass on top are used also early cb's, at least with the old style front fork. These first type is very, very rare, and seldom seen. In the parts manual these are pictured this way :
Nothing to do with adding winkers, but more like an overview from what I know about winkers and CB72 / 77 in the Netherlands, enjoy, because it took an whole evening to document this. This is what I know, or think that I know (I could be wrong here and there).
Old style winkers (square type). There are two types, at least two types front winkers. One type with an extra glass on the top, so you can see if it's working, and one type without that extra glass on top. The winkers with the glass on top are used on the first models, and where bigger but the same style as the CB92 winkers. The winkers without the glass on top are used also early cb's, at least with the old style front fork. These first type is very, very rare, and seldom seen. In the parts manual these are pictured this way :
Last edited by jensen on Mon Jan 04, 2010 2:06 pm, edited 1 time in total.
assembly of Japanese motorcycles requires great peace of mind (Pirsig)