honda305.com Forum

Vintage Honda Owners, Restorers, Riders and Admirers

Latest Registry Entry
1965 Honda CP77 — Ulsan Metro City, Rep. Korea
Restored with original parts — Owner: J. Doe

any feedback on these coils?

Points Based Ignition | Electronic Ignition Upgrade
e3steve
h305 Moderator
Posts: 2600
Joined: Fri Oct 31, 2003 1:38 pm
Location: Mallorca, Spain & Warsash, UK

Post by e3steve » Sat Oct 30, 2010 11:23 am

brewsky wrote:Good links, Steve.
Now how does an AC supplied coil/points setup work (no battery/no rectifier)?
Can't seem to get that thru my thick skull!
'snot AC, brew; 'sDC. To get AC from a DC source an oscillator circuit would need to be incorporated (as found in many bus / RV / marine fluorescent lights -- which is why they whine). Follow the final link in that post and play with the demo applet and things will become clearer.
Hotshoe wrote:Your diagram may have provided me with one of those "Ah Hah!" moments Steve.
I've never really understood why/how a coil provides spark when the points break, that always seemed counter-intuitive to me.
So basically, the condenser acts as the capacitor storing the electricity until the points break letting the current flow through the coils where it's magnified and supplied to the plugs?
Not my diagram, per se; I just saved the image on the Internet; if I'd drawn it I'd have been my usual OCD-self and joined up the lines!

The capacitor (is a condenser -- two words for the same component) is in circuit in parallel with the points. And you're analogy is quite right: capacitors (an ignition system cap. is an electrolytic type) block the path of DC but, in doing so, will charge-and-store DC voltage; when the points close the capacitor absorbs most of the 'in-rush'* which, in turn, assists the cap. in its energy buildup. The points open and the cap. takes the place of the contacts in the circuit and it instantaneously discharges (circuit=12V>primary coil>condenser>ground) and releases its greater, stored voltage by electrically 'pushing' it (out-rush) into the coil's primary winding which, in turn, 'steps up' to a sudden burst of ElectroMotive Force via the secondary winding's greater number of turns (extrapolated circuit=12V>primary coil wound around secondary coil around iron core [making a transformer**]>zap from the condenser>ground).

The links in my previous post can explain the phenomenon much better that I can here. But imagine the ignition system as a pinball launcher: the spring is the condenser, the plunger is the coil, the action of pulling back the plunger is the condenser being charged, the release of the plunger is the points opening, the plunger smacking the ball is the capacitor discharging and the pinball is the High Tension voltage.

An ignition coil is usually oil-filled to aid the dissipation of the heat created within, as the primary coil is of a pretty low resistance.

*'In-rush' is the huge, and sudden, brief current requirement which is induced when connecting (switching ON) an inductive device/load -- transformer, relay, solenoid, etc.. The capacitor absorbs this in-rush and vastly reduces the points' sparking.

**An autotransformer, in fact, which is a term to describe a concentrically-wound transformer.

User avatar
Hotshoe
honda305.com Member
Posts: 298
Joined: Tue Mar 30, 2010 12:51 pm
Location: Nawlins

Post by Hotshoe » Sat Oct 30, 2010 12:34 pm

I sort of knew all that but somehow it never really made sense to me, thanks again!

User avatar
brewsky
honda305.com Member
Posts: 1816
Joined: Wed Jul 23, 2008 5:21 am
Location: Princeton, WV

Post by brewsky » Sat Oct 30, 2010 3:17 pm

e3steve wrote:
brewsky wrote:Good links, Steve.
Now how does an AC supplied coil/points setup work (no battery/no rectifier)?
Can't seem to get that thru my thick skull!
'snot AC, brew; 'sDC. To get AC from a DC source an oscillator circuit would need to be incorporated (as found in many bus / RV / marine fluorescent lights -- which is why they whine). Follow the final link in that post and play with the demo applet and things will become clearer.
Steve, I was actually referring to bikes with no DC source and no rectifier i.e. many old dirt bikes.....sorry bout the confusion.
I wasn't even aware there were any such set-ups till I started looking at old wiring diagrams and working on them.
I understand the DC operation
Here's an old thread where I tried to understand, but when I took the rotor off and found multiple magnets, I was back where I started.
http://www.honda305.com/forums/viewtopi ... light=coil
66 dream, 78 cb750k, 02fz1, 09 wing

User avatar
brewsky
honda305.com Member
Posts: 1816
Joined: Wed Jul 23, 2008 5:21 am
Location: Princeton, WV

Post by brewsky » Sat Oct 30, 2010 6:52 pm

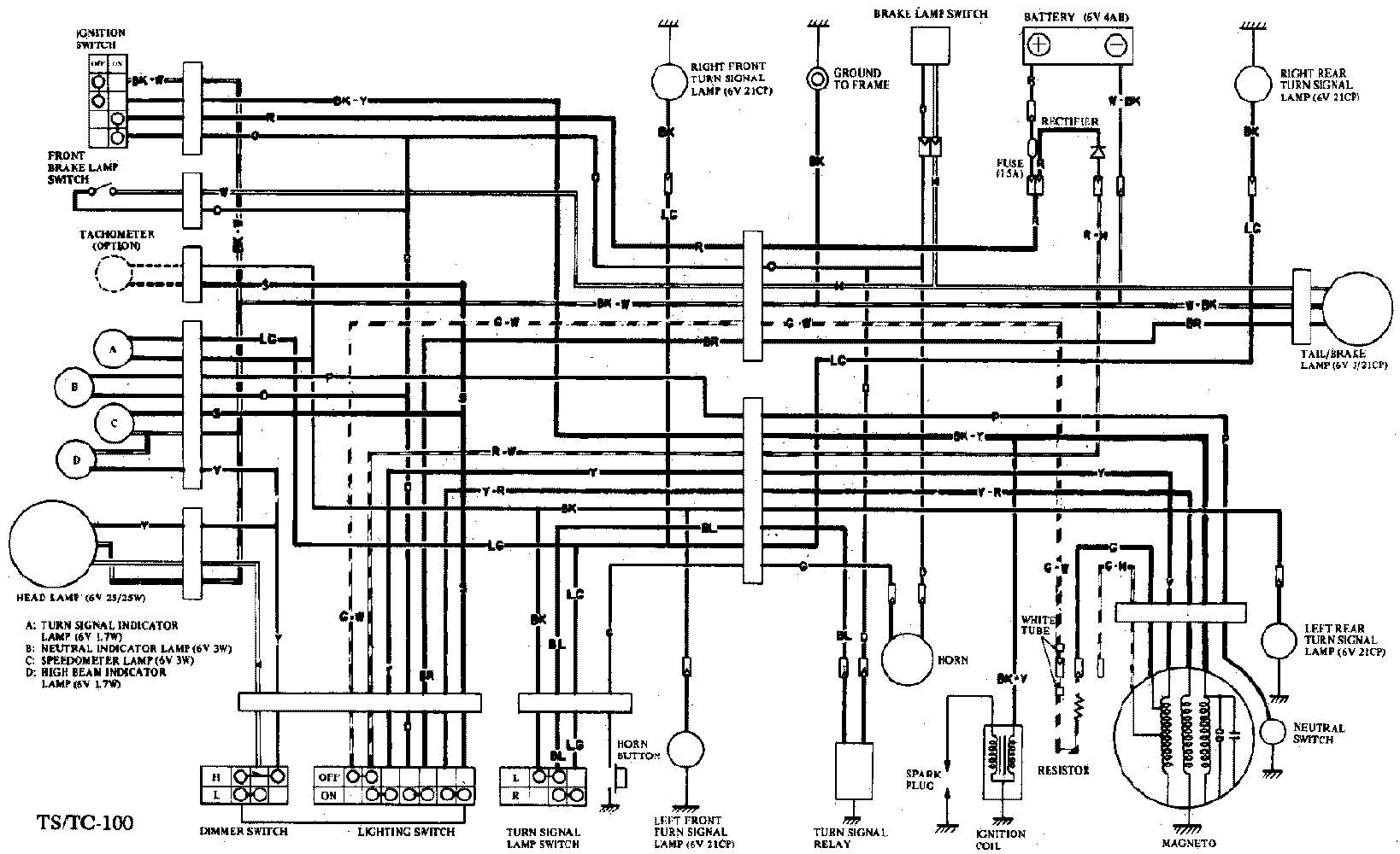
Here's a wiring diagram which brought up the question.
If you follow the ignition winding in the magneto, it leads directly to the coil, unrectified, and to ground in the "off" ignition switch position.
Attachments
TS_TC100 wiring diagram.JPG
66 dream, 78 cb750k, 02fz1, 09 wing

teazer
honda305.com Member
Posts: 798
Joined: Mon Feb 08, 2010 10:32 pm
Location: Midwest US

Post by teazer » Sun Oct 31, 2010 12:14 am

Good question about AC aka Energy Transfer ignitions or Magnetos (which is a bit of a misnomer).

As long as everyone following teh thread realizes that the ET system is not applicable to a CB72 or a Dream, unless it is modified to work that way, and that requires a different coil plus a different points cam and fixed ignition timing.

As I understand it, the way a regular Kettering circuit works is that the battery charges the coil and when the points open, the sudden drop in primary voltage induces a large change in the secondary circuit which fires the plug. The condensor is there to tame the arc across the points when they open.

Points open quiet slowly and the electricity would continue to flow by jumping the small points gap until the gap is too large to jump (arc). As the points open, the electricity finds an easier path through the condenser. In so doing, the coil voltage collapses faster and hence we have a spark. So a bad leaky or short circuited condenser allows arcing and will leak voltage that should be charging the coil.

Steve's explanation of the condenser charging up is what happens with a capacitor in place of the battery or with a CDI which charges the capacitor and as ignition is triggered, the Capacitor discharges 400v into the coil generating a very high voltage short duration spark.

Using a large capacitor in place of a battery acts, if you will, as a smoothing device and is not a functional part of the ignition circuit. Think of it simply as a battery replacement that still neds a rectifier in system.

e3steve
h305 Moderator
Posts: 2600
Joined: Fri Oct 31, 2003 1:38 pm
Location: Mallorca, Spain & Warsash, UK

Post by e3steve » Sun Oct 31, 2010 6:51 am

Apologies, brew. I misunderstood your question. All points perfectly answered in the post you linked to and teazer's response above.

User avatar
brewsky
honda305.com Member
Posts: 1816
Joined: Wed Jul 23, 2008 5:21 am
Location: Princeton, WV

Post by brewsky » Sun Oct 31, 2010 8:05 am

I guess as far as relevance to the subject of the original poster, you may want to make sure the substitute coils are not designed for an AC application, as they MAY be constructed differently on the inside??
66 dream, 78 cb750k, 02fz1, 09 wing

Post Reply