honda305.com Forum
Vintage Honda Owners, Restorers, Riders and Admirers
Latest Registry Entry
1965 Honda CP77 — Ulsan Metro City, Rep. Korea
Restored with original parts — Owner: J. Doe
Early cl77 rear wheel part needed
Early cl77 rear wheel part needed
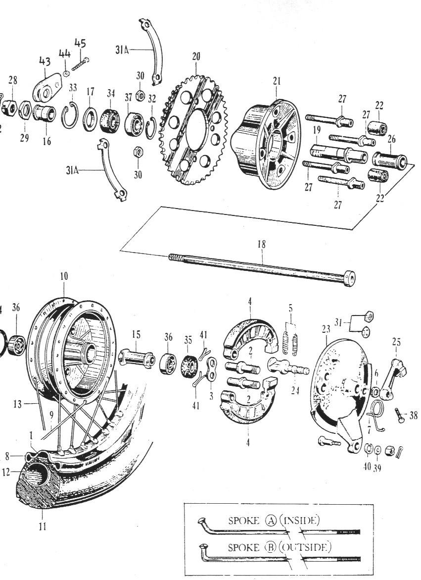
Working on a bike that came in parts. Trying to get the rear wheel back together and appear to be missing a spacer. The wheel has the single brake lever and I think is referred to as a small brake wheel. Looking at the parts manual, I have #15 "COLLAR, REAR AXLE DISTANCE". It has the 3 little metal tabs on each end (what do those do?). It looks like I am missing #26, "COLLAR, REAR BRAKE" that apparently goes next to #19, "REAR AXLE SLEEVE". I have never seen this part and can't tell what this looks like from the parts manual, so don't know how to find one on ebay or elsewhere. Anybody got one they will sell me?
4 more parts
I also need:
1. Nut for the axle. It is 17mm. I bought an axle off ebay, but 'lo and behold, it is 20mm. I guess that is for a big brake wheel. Anyway, I need a nut.
2. An outside spoke and nut. I assume you can replace only one. I used to do it on my bicycles when I was a kid. My rim and other spokes are in great shape.
3. Chain adjuster??? I have one for the 17mm axle. The parts book only shows one. I assume I need one for each side. I bought the above axle because it had 2 chain adjusters with it, but they are for that 20mm axle. If there is only one then I am good to go.
4 The wierd bolt with the notch in the side of the washer that holds the sprocket to the final drive flange. In the parts book it is #27 "BOLY, DRIVEN SPROCKET FIXING". The threads are screwed up on one of mine. The nut for this would be great, too.
Can anybody help me out?
1. Nut for the axle. It is 17mm. I bought an axle off ebay, but 'lo and behold, it is 20mm. I guess that is for a big brake wheel. Anyway, I need a nut.
2. An outside spoke and nut. I assume you can replace only one. I used to do it on my bicycles when I was a kid. My rim and other spokes are in great shape.
3. Chain adjuster??? I have one for the 17mm axle. The parts book only shows one. I assume I need one for each side. I bought the above axle because it had 2 chain adjusters with it, but they are for that 20mm axle. If there is only one then I am good to go.
4 The wierd bolt with the notch in the side of the washer that holds the sprocket to the final drive flange. In the parts book it is #27 "BOLY, DRIVEN SPROCKET FIXING". The threads are screwed up on one of mine. The nut for this would be great, too.
Can anybody help me out?
-
LOUD MOUSE
- honda305.com Member
- Posts: 7818
- Joined: Mon Aug 15, 2005 8:23 am
- Location: KERRVILLE, TEXAS
Re: 4 more parts
LOOK ON PAGE 52/53 FOR THE AXLE ADJUSTERS.
PM ME FOR PARTS. ............lm
PM ME FOR PARTS. ............lm
conbs wrote:I also need:
1. Nut for the axle. It is 17mm. I bought an axle off ebay, but 'lo and behold, it is 20mm. I guess that is for a big brake wheel. Anyway, I need a nut.
2. An outside spoke and nut. I assume you can replace only one. I used to do it on my bicycles when I was a kid. My rim and other spokes are in great shape.
3. Chain adjuster??? I have one for the 17mm axle. The parts book only shows one. I assume I need one for each side. I bought the above axle because it had 2 chain adjusters with it, but they are for that 20mm axle. If there is only one then I am good to go.
4 The wierd bolt with the notch in the side of the washer that holds the sprocket to the final drive flange. In the parts book it is #27 "BOLY, DRIVEN SPROCKET FIXING". The threads are screwed up on one of mine. The nut for this would be great, too.
Can anybody help me out?
I am tech challenged
LM, I tried to send you two PM, but I think they are stuck in my outbox. They don't show up in the "Sent Messages" file. I can't tell if you got them. Either way let me know. If you didn't.... How do I make this dumb thing work?
-
LOUD MOUSE
- honda305.com Member
- Posts: 7818
- Joined: Mon Aug 15, 2005 8:23 am
- Location: KERRVILLE, TEXAS
Re: I am tech challenged
IT APPEARS OUT PAGES DON'T MATCH.
SORRY. ...........lm
SORRY. ...........lm
conbs wrote:LM, I tried to send you two PM, but I think they are stuck in my outbox. They don't show up in the "Sent Messages" file. I can't tell if you got them. Either way let me know. If you didn't.... How do I make this dumb thing work?
Below is the exploded view of the early wheel I am working from. Click on it to enlarge.
I DO NOT need #15 the spacer with the 3 metal tangs (What do those do?)
I need spacer #26 (Does it slide over the end of #19 or butt against it?)
I need the axle nut #28 for 17mm axle.
I need one of the #27 bolts that attach the sprocket to the flange #21
I need one outside spoke and nut.
I think I need a chain adjuster for the left side that would oppose #43 on the right. Unless I am really missing something, there is no left side adjuster in this exploded view. I think I need one, but am not sure.
I DO NOT need #15 the spacer with the 3 metal tangs (What do those do?)
I need spacer #26 (Does it slide over the end of #19 or butt against it?)
I need the axle nut #28 for 17mm axle.
I need one of the #27 bolts that attach the sprocket to the flange #21
I need one outside spoke and nut.
I think I need a chain adjuster for the left side that would oppose #43 on the right. Unless I am really missing something, there is no left side adjuster in this exploded view. I think I need one, but am not sure.