honda305.com Forum
Vintage Honda Owners, Restorers, Riders and Admirers
Latest Registry Entry
1965 Honda CP77 — Ulsan Metro City, Rep. Korea
Restored with original parts — Owner: J. Doe
steering washer help
steering washer help
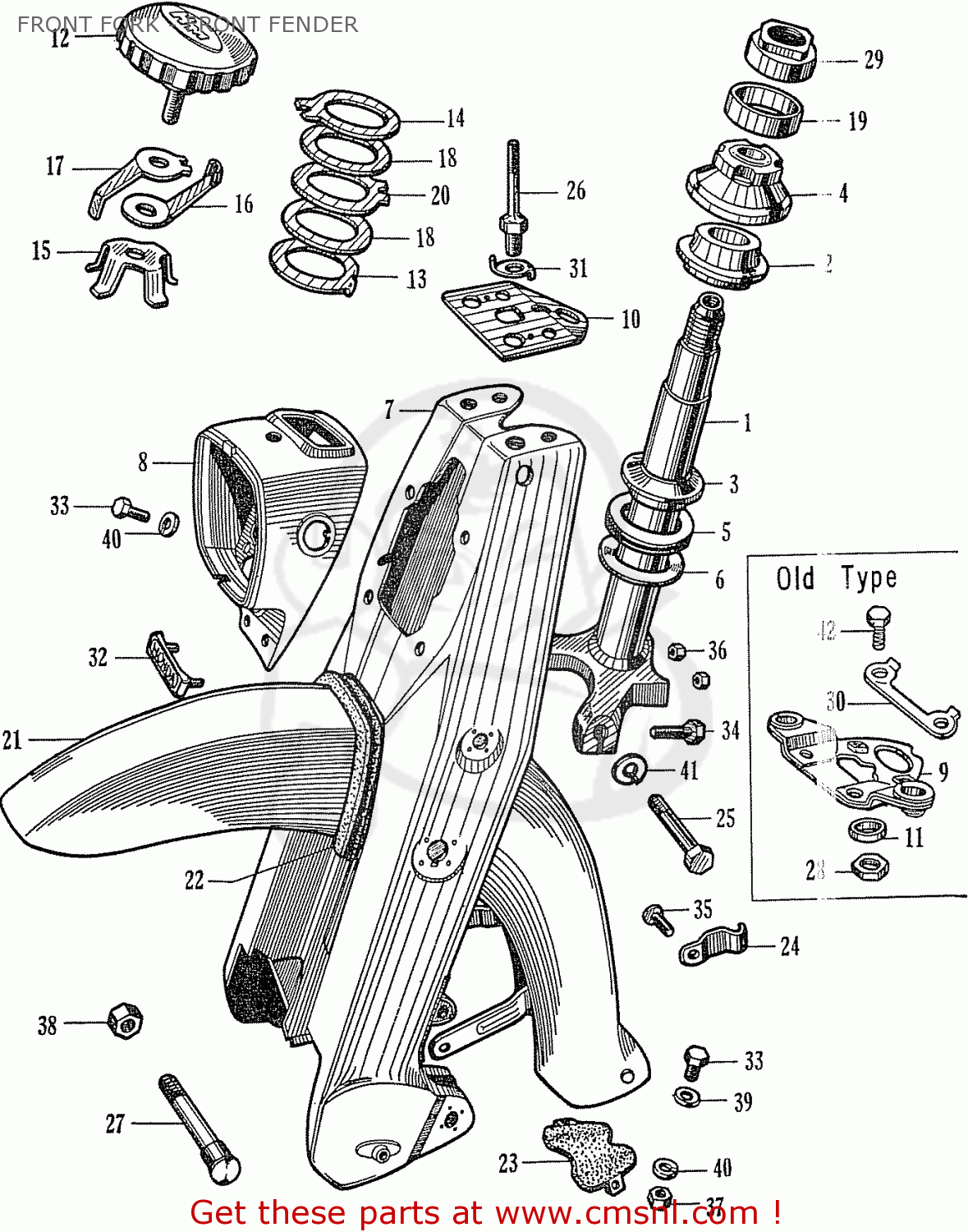
Can anyone tell me in what order these go from left to right on a 61 dream? Lets say 1-5 from bottom to top. thanks. also, dont all 5 go under the big steering plate on forks? then large nut on top? had it all taped and labled and great dane got into it.
I have posted a set of pics on Flickr from when I dismantled my Dream

P4290555.JPG by graham.curtis, on Flickr

P4290556.JPG by graham.curtis, on Flickr

P4290557.JPG by graham.curtis, on Flickr

P4290558.JPG by graham.curtis, on Flickr

P4290559.JPG by graham.curtis, on Flickr

P4290560.JPG by graham.curtis, on Flickr

P4290561.JPG by graham.curtis, on Flickr
Hope this helps!!
G

P4290555.JPG by graham.curtis, on Flickr

P4290556.JPG by graham.curtis, on Flickr

P4290557.JPG by graham.curtis, on Flickr

P4290558.JPG by graham.curtis, on Flickr

P4290559.JPG by graham.curtis, on Flickr

P4290560.JPG by graham.curtis, on Flickr

P4290561.JPG by graham.curtis, on Flickr
Hope this helps!!
G
'60 C77 '60 C72 '62 C72 Dream '63 CL72
'61 CB72 '64 CB77 '65 CB160
'66 Matchless 350 '67 CL77
'67 S90 '77 CB400F
'61 CB72 '64 CB77 '65 CB160
'66 Matchless 350 '67 CL77
'67 S90 '77 CB400F
One of those parts is the detent for the damper knob. The large spider thing pushes down on the damper parts to provide the friction pressure and the last done prevents the metal parts from rotating. If you don't have those three parts (at least two of them) you haven't go a steering damper.....
G
G
'60 C77 '60 C72 '62 C72 Dream '63 CL72
'61 CB72 '64 CB77 '65 CB160
'66 Matchless 350 '67 CL77
'67 S90 '77 CB400F
'61 CB72 '64 CB77 '65 CB160
'66 Matchless 350 '67 CL77
'67 S90 '77 CB400F