honda305.com Forum

Vintage Honda Owners, Restorers, Riders and Admirers

Latest Registry Entry
1965 Honda CP77 — Ulsan Metro City, Rep. Korea
Restored with original parts — Owner: J. Doe

ignition switch replacement - 4 into 6 - help?!

Charging System, Wiring, Lighting
Wilf
honda305.com Member
Posts: 395
Joined: Thu Jan 22, 2009 10:32 am
Location: Gibsons, BC Canada

Re: ignition switch replacement - 4 into 6 - help?!

Post by Wilf » Mon Jul 12, 2010 7:48 am

crispy wrote:

I want the bike to be as minimal as possible. as for the high/low beam, i thought i would install a 3-position toggle (one position off, one high and one low). the high and low positions would also be connected to the speedo indicator lights (brown wire).
quote]

Wilf

e3steve
h305 Moderator
Posts: 2600
Joined: Fri Oct 31, 2003 1:38 pm
Location: Mallorca, Spain & Warsash, UK

Post by e3steve » Mon Jul 12, 2010 7:57 am

I missed that!

crispy
honda305.com Member
Posts: 14
Joined: Sat Jul 10, 2010 11:04 am
Location: los angeles, ca

Post by crispy » Mon Jul 12, 2010 8:54 am

e3steve and wilf- thanks so much for lending me your knowledge on this. you are both right, originally, i was planning on keeping hi/low beam functionality if possible. but high beam is a feature i will easily forsake if that is all that is holding up this mod. (i have been riding for 15 years and i have never once used my high beam on any of my bikes).

so i will go ahead with one filament and i think the plan will work. again amazing advice...thanks.

Wilf
honda305.com Member
Posts: 395
Joined: Thu Jan 22, 2009 10:32 am
Location: Gibsons, BC Canada

Post by Wilf » Mon Jul 12, 2010 9:20 am

You're welcome!

Wilf

e3steve
h305 Moderator
Posts: 2600
Joined: Fri Oct 31, 2003 1:38 pm
Location: Mallorca, Spain & Warsash, UK

Get yourself...

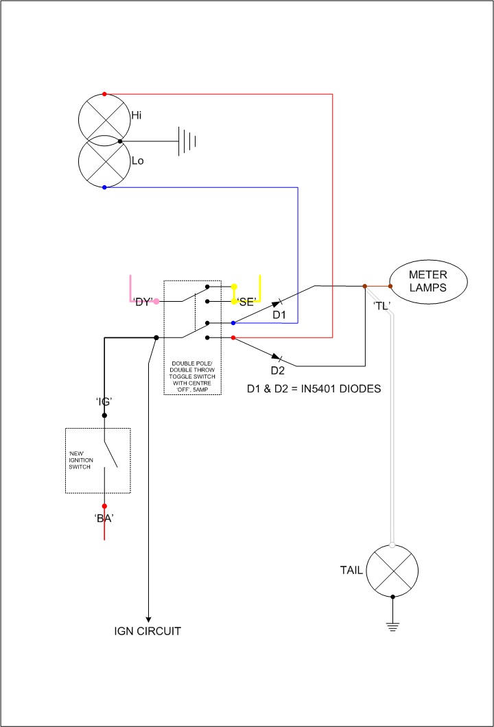
Post by e3steve » Mon Jul 12, 2010 1:23 pm

...a 3-position DPDT toggle switch, 5Amp with centre 'OFF' and 2 x IN5401 diodes (a few cents). Here's the solution:
Attachments
CB160 cafe wiring mod - 2.jpg

Wilf
honda305.com Member
Posts: 395
Joined: Thu Jan 22, 2009 10:32 am
Location: Gibsons, BC Canada

Post by Wilf » Mon Jul 12, 2010 3:34 pm

Steve,

I had thought of using diodes to eliminate the 3rd pole of the toggle switch but I didn't like the idea of introducing a voltage drop ahead of the tail light.

Wilf

e3steve
h305 Moderator
Posts: 2600
Joined: Fri Oct 31, 2003 1:38 pm
Location: Mallorca, Spain & Warsash, UK

Post by e3steve » Mon Jul 12, 2010 3:56 pm

Wilf, Crispy: 0.7V-drop will make little difference to the 5W tail filament or the 2 x 2W meter lamps.

Post Reply