honda305.com Forum

Vintage Honda Owners, Restorers, Riders and Admirers

Latest Registry Entry
1965 Honda CP77 — Ulsan Metro City, Rep. Korea
Restored with original parts — Owner: J. Doe

CB77 problem #10 5/16 in threaded clutch lifter won't fit!

Clutch, Transmission, Drive Chain, Sprockets
owlneck
honda305.com Member
Posts: 8
Joined: Tue Mar 30, 2010 5:46 pm
Location: brooklyn ny

CB77 problem #10 5/16 in threaded clutch lifter won't fit!

Post by owlneck » Wed Oct 23, 2013 3:51 pm

Hi,

I had problems shifting so I searched the forum, it lead to me open up the right side case cover and look for the 5/16 ball. No surprise , it was gone, the PO had left the kickstarter unwound as well.

I got a 5/16 ball bearing and popped it in. but now the case won't fit! seems like there is not enough room for the pushrod and the ball bearing to fit in the threaded clutch lifter ( the one attached to the large round clutch adjuster on the outside of there case) I adjusted the adjuster to allow for maximum room ( cranked all the way counter clockwise) but no dice.

I always wish it could be simple but it never is!

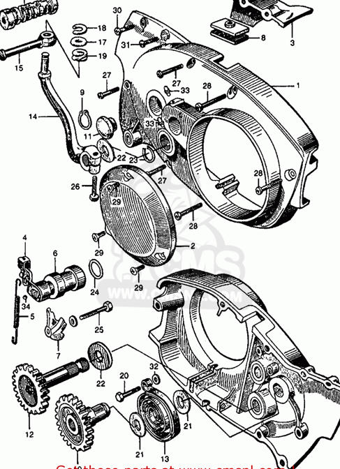
also check out my right hand side cover , its funky when compared to the parts diagram.
part 7 is upside down on mine and its the only place for it.

ill post the engine numbers later tonight
I also have a cb72 stator instead of a cb77 stator...for all thats worth, it still works.
Attachments
part 7 is upside down on mine<br />(22844200010) ADJUSTER FIXING CB77 SUPER HAWK
part 7 is upside down on mine
(22844200010) ADJUSTER FIXING CB77 SUPER HAWK
Screen Shot 2013-10-23 at 4.33.13 PM.png (82.53 KiB) Viewed 6350 times
this is my ks cover
this is my ks cover
cb77 ks cover inside.JPG (58.93 KiB) Viewed 6349 times

LOUD MOUSE
honda305.com Member
Posts: 7818
Joined: Mon Aug 15, 2005 8:23 am
Location: KERRVILLE, TEXAS

Re: CB77 problem #10 5/16 in threaded clutch lifter won't f

Post by LOUD MOUSE » Wed Oct 23, 2013 4:49 pm

You must readjust the clutch cable. .................lm

owlneck wrote:Hi,

I had problems shifting so I searched the forum, it lead to me open up the right side case cover and look for the 5/16 ball. No surprise , it was gone, the PO had left the kickstarter unwound as well.

I got a 5/16 ball bearing and popped it in. but now the case won't fit! seems like there is not enough room for the pushrod and the ball bearing to fit in the threaded clutch lifter ( the one attached to the large round clutch adjuster on the outside of there case) I adjusted the adjuster to allow for maximum room ( cranked all the way counter clockwise) but no dice.

I always wish it could be simple but it never is!

also check out my right hand side cover , its funky when compared to the parts diagram.
part 7 is upside down on mine and its the only place for it.

ill post the engine numbers later tonight
I also have a cb72 stator instead of a cb77 stator...for all thats worth, it still works.

LOUD MOUSE
honda305.com Member
Posts: 7818
Joined: Mon Aug 15, 2005 8:23 am
Location: KERRVILLE, TEXAS

Re: CB77 problem #10 5/16 in threaded clutch lifter won't f

Post by LOUD MOUSE » Wed Oct 23, 2013 4:51 pm

Part #7 is correct. .....lm

owlneck wrote:Hi,

I had problems shifting so I searched the forum, it lead to me open up the right side case cover and look for the 5/16 ball. No surprise , it was gone, the PO had left the kickstarter unwound as well.

I got a 5/16 ball bearing and popped it in. but now the case won't fit! seems like there is not enough room for the pushrod and the ball bearing to fit in the threaded clutch lifter ( the one attached to the large round clutch adjuster on the outside of there case) I adjusted the adjuster to allow for maximum room ( cranked all the way counter clockwise) but no dice.

I always wish it could be simple but it never is!

also check out my right hand side cover , its funky when compared to the parts diagram.
part 7 is upside down on mine and its the only place for it.

ill post the engine numbers later tonight
I also have a cb72 stator instead of a cb77 stator...for all thats worth, it still works.

rrietman
honda305.com Member
Posts: 561
Joined: Mon Oct 13, 2008 6:45 pm
Location: bellingham wa.

Post by rrietman » Wed Oct 23, 2013 10:04 pm

you have the right parts.back off the adjuster totally loose. the case will fit. then, after the case is on and tightened, adjust the clutch. readjust after running a few minutes and cycling the clutch a bit
Good luck
Randy

Dgormley
honda305.com Member
Posts: 405
Joined: Tue May 19, 2009 12:31 am
Location: Tacoma Wa

2 balls

Post by Dgormley » Thu Oct 31, 2013 8:12 pm

I had the same problem on my CL, previous owner had a ball bearing on the other end of the clutch push-rod. Almost broke my case trying to force it on. I put some sticky goop( semi dry sealer) on the end of rod and fished it out!.....................D

cknight
honda305.com Member
Posts: 427
Joined: Wed Apr 05, 2006 3:55 pm
Location: Daytona Beach, FL

Post by cknight » Fri Nov 01, 2013 7:58 am

It does appear that part #8 is upside down, but that won't affect the operation. Chase

cknight
honda305.com Member
Posts: 427
Joined: Wed Apr 05, 2006 3:55 pm
Location: Daytona Beach, FL

Post by cknight » Fri Nov 01, 2013 9:14 am

Also, make sure the rounded (ball) end of the clutch pushrod is inserted first, with the flat end facing toward the clutch lifter assembly. Regards, Chase

Post Reply