honda305.com Forum

Vintage Honda Owners, Restorers, Riders and Admirers

Latest Registry Entry
1965 Honda CP77 — Ulsan Metro City, Rep. Korea
Restored with original parts — Owner: J. Doe

ignition switch replacement - 4 into 6 - help?!

Charging System, Wiring, Lighting
crispy
honda305.com Member
Posts: 14
Joined: Sat Jul 10, 2010 11:04 am
Location: los angeles, ca

ignition switch replacement - 4 into 6 - help?!

Post by crispy » Sun Jul 11, 2010 11:55 am

wow, guys thanks for all your advice.

here's my exact intention - when i turn the key to the first position i want everything to work. i do not need the second position to do anything necessarily.

ok, so i am leaving off the dimmer/horn left hand controls for sure if i can do so without causing other things to malfunction. I want the bike to be as minimal as possible. as for the high/low beam, i thought i would install a 3-position toggle (one position off, one high and one low). the high and low positions would also be connected to the speedo indicator lights (brown wire).

i am pretty sure i have the light situation worked out, my only concern is making sure the charging system still functions properly.

sorry if i am a bit confusing, electrical is a learning operation for me but eager to do just that!

thanks again....

Wilf
honda305.com Member
Posts: 395
Joined: Thu Jan 22, 2009 10:32 am
Location: Gibsons, BC Canada

Post by Wilf » Sun Jul 11, 2010 1:54 pm

crispy,

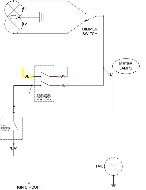
I think you're now looking at a 3PDT (3 pole, double throw) toggle switch:

- 1 pole to connect the Pink to the Yellow when your headlight is on (either high or low)
- 1 pole to connect the BA (battery) to either the high beam or the low beam filament
- 1 pole to connect the BA to the White (TL) supplying power to the tail light and also the Brown supplying power to the speedo indicator lights whenever the headlight is on

That's a pretty big toggle switch, and I wonder if it defeats your minimalist intentions?

The horn is no big deal because it's only 'in the circuit' when you press the horn button. Do you intend to use the horn? If so, you will need a horn switch.

Wilf

e3steve
h305 Moderator
Posts: 2600
Joined: Fri Oct 31, 2003 1:38 pm
Location: Mallorca, Spain & Warsash, UK

Post by e3steve » Sun Jul 11, 2010 4:38 pm

Wilf wrote:crispy,
I think you're now looking at a 3PDT (3 pole, double throw) toggle switch:

- 1 pole to connect the Pink to the Yellow when your headlight is on (either high or low)
- 1 pole to connect the BA (battery) to either the high beam or the low beam filament
- 1 pole to connect the BA to the White (TL) supplying power to the tail light and also the Brown
supplying power to the speedo indicator lights whenever the headlight is on
Wilf
Yep; make this pole 1 of the light switch. Nope.

To achieve your basic requirement, Crispy:

Ign sw OFF - No connection. Nada.
Ign sw ON - Red connects to Black & Brown (Honda harness) which you join together

Brown to pole 2, 1st terminal of the 'new' light switch; the 2nd terminal goes to the dimmer switch centre contact; hi-beam/lo-beam (R & Bl) remain the same from here
White (already) goes to taillight, so join to here and to meter lamps

Seemples!

Let me know if you need expansion or a diagram posted.

crispy
honda305.com Member
Posts: 14
Joined: Sat Jul 10, 2010 11:04 am
Location: los angeles, ca

Post by crispy » Sun Jul 11, 2010 5:16 pm

e3steve-

i think you understand what i'm trying to do thank you! i don't think it is as hard as it seems. after all, i am removing stuff, not adding.

i think just to be clear, i will take you up on your offer for the diagram. i just want the toggle to control the headlight/taillight on/off functionality.

just want to make sure you understand i do not have the hand control dimmer installed on the bike. the toggle is replacing that altogether. thanks for your help!!!

e3steve
h305 Moderator
Posts: 2600
Joined: Fri Oct 31, 2003 1:38 pm
Location: Mallorca, Spain & Warsash, UK

Post by e3steve » Sun Jul 11, 2010 5:49 pm

OK, here's my interpretation. If you don't want a dimmer switch then leave that out and connect the brown straight to Lo-beam (blue).

G'luck!
Attachments
CB160 cafe wiring mod.jpg

Wilf
honda305.com Member
Posts: 395
Joined: Thu Jan 22, 2009 10:32 am
Location: Gibsons, BC Canada

Post by Wilf » Sun Jul 11, 2010 6:37 pm

Steve,

I think crispy is looking for 1 toggle switch to cover these functions:

-turn the headlight on/off, selecting either hi or lo beam
-turn the tail light and the speedo indicator lights on whenever the headlight is on
-switch in the extra generator coils when the headlight is on

As he says, he doesn't have a dimmer switch and wants the toggle switch to do that job.

I don't know how these requirements can be met with other than a 3PDT switch.

Wilf

e3steve
h305 Moderator
Posts: 2600
Joined: Fri Oct 31, 2003 1:38 pm
Location: Mallorca, Spain & Warsash, UK

Post by e3steve » Mon Jul 12, 2010 2:21 am

I thought that at first, Wilf, but it seems he only wants to use one filament with no hi-lo facility. Crispy?

Post Reply